テクニカルエンジニア(ネットワーク)過去出題問題平成11年 午後2 問1最終更新日 2004/01/24
|
| Tomのネットワーク勉強ノート |
| |
| |
| |
この問題冊子では、次の略語を使用する。
| 略語 | 意味 |
| PC | パソコン |
| FAX | ファクシミリ |
| ホスト | ホストコンピュータ |
問1
ファクシミリを利用した情報システムの樽築、導入に関する次の記述を読んで、設問1〜5に答えよ。
流通業のA社は、東京地区と大阪地区を中心に事業を展開している。A社の情報システム
部は、東京本社に所属している。システムセンタは東京本社内にあり、オペレータが24時間
体制で勤務している。大阪支社は大阪地区を統括する拠点であるが、システム要員はいない。
東京本社と大阪支社は高速ディジタル回線で接続されている。表1にその利用状況を示す。
音声用チャネルは東京と大阪(以下、東阪という)間の電話とFAXの通信に利用されてい
る。ホスト通信用チャネルはホスト系システムに、TCP/IP用チャネルは東阪のLAN間接続
に、それぞれ利用されている。最近、A社ではクライアントサーバシステムが増加しており、
TCP/IP用チャネルの利用が、昼夜を問わず増加傾向にある。一方で、電子メールやイント
ラネットの普及によって、音声用チャネルの利用は減少傾向にある。
表1 東阪間の高速ディジタル回線利用状況
| 用 途 | 1チャネル当たりの通信速度 | チャネル数 | 合計通信速度 |
| 音声用チャネル(PBX中継線) | 32kビット/秒 | 8 | 256kビット/秒 |
| ホスト通信用チャネル | 9.6〜64kビット/秒 | 10 | 224kビット/秒 |
| TCP/IP用チャネル | 224kビット/秒 | 1 | 224kビット/砂 |
| 制御用チャネル | 64kビット/秒 | 1 | 64kビット/秒 |
| 合 計 | 768kビット/秒 | ||
A社では、情報システム部が中心となり、1年前から受発注システムの再構築プロジェク
トを進めている。このプロジェクトでは、ホストで稼働している受発注システムを、市販の
業務パッケージを使って再構築する。東京本社内のシステムセンタには、すでに新しい受発
注システム用のサーバ(以下、APサーバという)が設置されている。
[小口発注システム]
新しい受発注システムでは、小口の取引先に対する発注帳票をFAX配信する。このた
めのサブシステムを小口発注システムと呼ぶ。
小口発注システムの対象となる取引先数は4,000で、東京地区、大阪地区でほぼ同数で
ある。FAX配信には、夜間配信と昼間配信があり、発注帳票の発行枚数は表2のとおり
である。
表2 発注帳票の発行枚数 単位:枚/日
| 取引先の所在地 | 夜間配信 | 昼間配信 | 合 計 | |
| 東京地区 | 同一市内 | 500 | 40 | 540 |
| 隣接市内 | 200 | 10 | 210 | |
| 20kmまで | 200 | 10 | 210 | |
| 大阪地区 | 同一市内 | 500 | 40 | 540 |
| 隣接市内 | 200 | 10 | 210 | |
| 20kmまで | 200 | 10 | 210 | |
| 合 計 | 1,800 | 120 | 1,920 | |
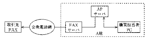
小口発注システムは、APサーバとFAX配信用の専用サーバ(以下、FAXサーバとい
う)で実現する。APサーバの業務パッケージは、作成した発注帳票に関するイメージデ
ータ、取引先の電話番号、購買担当者名、帳票通番(以下、これらのデータをFAXデー
タという)をFAXサーバに転送する。FAXサーバは、公衆電話網を経由して取引先の
FAXへ発注帳票を配信する。
夜間配信の発注帳票は、毎日1:00〜2:00にAPサーバの夜間処理で一括作成され、
2:00〜3:00にFAXサーバへ転送される。FAXサーバは、発注帳票を順次各取引先の
FAXに配信し、2:00〜7:00にその配信を完了させる。
昼間配信の発注帳票は、購買担当者が昼間のオンライン処理で強制出力指示をしたと
きに、個別に作成される。その最繁時集中率は50%である。昼間配信はある程度の即時
性が求められる。配信前の処理時間(担当者が強制出力指示操作を行ってから、FAXサ
ーバが取引先FAXへの送信を始めるまでの時間)が30秒以内になるように、小口発注シ
ステムの設計を行う必要がある。
APサーバは、各帳票がFAXサーバヘ転送された時点で、その帳票は出力されたもの
と見なす。しかし、相手のFAXが話中であるなど、FAXサーバからのFAX配信が失敗
することがある。そのような場合、FAXサーバは、自動的に規定回数(3回程度)の再
配信を試みる。それでも配信ができない場合、FAXサーバは、購買担当者あてに不達の
帳票があったことを電子メールで通知し、購買担当者は、別の手段で取引先に連絡を行
う。
一度配信した発注帳票を、取引先からの依頼で再配信する場合がある。配信日を含め
て5日間は、同じ発注帳票のイメージデータをFAXサーバから再配信できなければなら
ない。
[FAXサーバの選定]
情報システム部のB氏は、受発注システム再横築プロジェクトを統括するプロジェク
トリーダである。小口発注システムのシステム要件がまとまった段階で、B氏は、部下
の中からネットワークに詳しいC君を小口発注システムの担当に指名した。そして、
FAXサーバの選定と現行ネットワークとの整合を検討するように指示した。
C君は、FAXサーバに求められる要件を性能要件と機能要件に分け、APサーバの業務
パッケージと連携でさる製品を幾つか調査した。そして、表3に示すFAXサーバを選定
し、B氏の承認を受けた。
表3 採用するFAXサーバの諸元(抜粋)
| 上位(AP)サーバ インタフェース |
物理インタフェース:10BASE-T 1ポート 通信プロトコル :TCP/IP |
| FAX インタフェース |
物理インタフェース:アナログ公衆電話回線 (1サーバ当たり1〜16回線分搭載可能) 対象FAX :G3規格準拠のFAX |
| 磁気ディスク | 基本構成(システム領域) :1.5×10^9バイト (FAXデータ領域) :1.5×10^9バイト 増設ディスク(FAXデータ領域) :3.0×10^9バイト/個 (増設ディスクは1サーバ当たり0〜8個搭載可能) |
FAXサーバの費用を推定するため、C君は機器構成に関して次のように考えた。
必要となるFAXインタフェースの数について、東京地区を対象に考える。東京地区に
おける夜間配信の発注帳票は、【ア】枚/日で、これを【イ】時間以内で配信する。
したがって、通信時間を60秒/枚で一定とし、更にエラー時の再試行などを考慮し帳票
数を1.2倍にすると、FAXサーバには【ウ】回線分のFAXインタフェースが必要になる。
昼間配信では、配信前の処理時間を30秒以内としなければならない。この場合、FAX
インタフェースの必要数は、FAXサーバのFAXインタフェースの空き待ち時間に関係
する。昼間配信では、最繁時に【エ】枚/時の呼量がある。その平均通信時間を60
秒/枚とすると、最繁時の呼量は【オ】アーランとなる。これに余裕を見込み1.2倍し
た値を呼量とし、待ち行列モデルとしてM/M/【ウ】のモデルを考える。すると、こ
のモデルの平均待ち時間は、呼量を(1/【ウ】)とした場合のM/M/1における平均
待ち時間【カ】秒よりも小さい。一方、APサーバからFAXサーバへの転送時間など、
ほかに考慮すべき処理時間は、(30-【カ】)秒よりも小さいと予想される。したがっ
て、夜間配信で求めたFAXインタフェースの数は、昼間配信の要件に対しても十分であ
ることが分かる。
大阪地区に対しても、同数のFAXインタフェースが必要になる。1台のFAXサーバ
でシステムを実現する場合には、この2倍のFAXインタフェースを用意し、それを東阪
用に共用すればよい。
磁気ディスクに関しては、FAXサーバのデータ領域に、東阪合わせて【キ】枚の帳
票を格納する必要がある。仮に、FAXサーバは1台とし、しかも基本構成を採用した場
合、計算上、帳票1枚当たり【ク】×10^3バイトのディスク容量が割当て可能である。
一方、APサーバから転送されるFAXデータ量は、40×10^3バイト/枚であることが分か
っている。このことから、FAXサーバの磁気ディスク構成は、基本樽成で十分と推定で
きる。
[FAXサーバ設置案]
FAXサーバ選定の後、C君が作成したFAXサーバ設置案を、図1と図2に示す。
東阪設置案(図1)では、FAXサーバを東阪にそれぞれ1台ずつ設置する。集中設置
案(図2)では、FAXサーバを東京に1台設置し、大阪地区のFAXに対しては、PBX
の専公接続機能を用いて、FAXサーバから社内の内線電話綱と大阪のPBXを経由して配
信を行う。

図1 東阪設置案

図2 集中設定案
[FAXサーバ設置案の検討]
A社では、電話関連の現行ネットワーク(以下、音声系ネットワークという)設備は
総務部が管理している。C君は総務部に協力を仰ぎ、FAXサーバ設置案の検討のため、
音声系ネットワークの利用状況(表4)を入手した。
表4 音声系ネットワークの利用状況
| 回 線 | 最繁時呼量(推定) | 回線数 |
| 東京側公衆電話サービス契約者回線(局線) | 15.0アーラン | 25 |
| 大阪側公衆電話サービス契約者回線(局線) | 10.5アーラン | 20 |
| 東阪間中継回線 | 4.5アーラン | 8 |
C君と総務部の担当は、小口発注システム導入時の現行ネットワークへの影響につい
て、次のような検討を行った。
表4によると、現在の局線数には余裕があることが分かる。例えば、東京の場合、即
時式完全群負荷表(アーランB式)のモデルを適用すると、推定される最繁時の呼損率
は【ケ】である。 今後、昼間配信の最繁時と表4の最繁時が重なったとしても、その
呼揖率はA社の基準値0.05を下回る。
なお、夜間配信については、電話利用がほとんどない時間帯なので、現行の局線数で
十分である。したがって、今回、東京地区の局線増設は不要であることが分かる。これ
らのことは大阪地区でも同様である。
表4の中継回線についてはあまり余裕がない。この回線を利用する【コ】案の場合、
昼間配信の最繁時が表4の最繁時と重なった場合を考えると、その時間帯の中継回線の
呼損率を0.05以下にするためには、【サ】回線の増設が必要である。ただし、この増設
は、不要になっているホスト通信用チャネルを音声用チャネルに変更することで対応で
きるので、高速ディジタル回線は現行のままでよい。
なお、夜間配信については、電話利用がほとんどない時間帯なので、現行の中継回線
数でも支障はない。
【シ】案では、東阪間のFAXデータ転送は【ス】チャネルを利用する。この場合
には、夜間配信について検討が必要である。APサーバからFAXサーバに転送される
FAXデータ量を40×10^3バイト/枚、占有チャネルの通信速度に対するFAXデータの転
送速度の割合(伝送効率)を70%と仮定する。すると、APサーバからFAXサーバへ夜
間配信のFAXデータを決められた時間内に転送するためには、常に【セ】kビット/
秒以上の通信速度が東阪間に必要になる。
その後、C君は総務部との検討結果をふまえ、現行ネットワークの利用状況を調査し、
【シ】案も現行ネットワークのままで実現可能であることを確認した。
以上の検討から、C君は、二つの案の導入コストを表5のように整理した。
表5 FAXサーバ設置案の導入コスト要因
| 比較項目 | 東阪設置案 | 集中設置案 |
| PBX | 【ウ】回線の内線を、FAXサー バ用として東阪のPBXにそれぞれ 増設する。 |
(【ウ】×2)回線の内線をFAX サーバ用として東京PBXに増設す る。 |
| FAXサーバ | 【ウ】回線分のFAXインタフェ ースをもつサーバを、東阪それぞ れに1台ずつ導入する。 |
(【ウ】×2)回線分のFAXイン タフェースをもつサーバを、東京 に1台導入する。 |
| 公衆電話サービス 通話料金 |
19,200円/日 | |
| 公衆電話サービス 契約者回線 |
現行回線数で対応可能 | |
| 高速ディジタル回線 | 現行回線速度で対応可能 | |
[FAXサーバ設置案の決定と導入作業の開始]
C君からFAXサーバ設置案について報告を受けたB氏は、導入コスト以外の要因をC君
と議論し、最終的に集中設置案を採用することを決めた。
B氏はC君に図3に示す導入計画書を作成させ、小口発注システムの導入チームを編成
し、導入作業を開始させた。
| 1.小口発注システム 受発注システム再構築プロジェクトの中に、そのサブシステムである小口発注シ ステムの導入チームを新設する。小口発注システムの概要は、次のとおりである。
2.導入スケジュール 3.作業分担 4.導入費用 |
図3 導入計画書(抜粋)
[導入作業スケジュール]
表6は小口発注システム導入チームの作業スケジュールである。最初にC君が作成す
るシステム設計書(表6の1.1項)には、各機器の設計に必要な項目をまとめたもので
る。各機器担当はシステム設計書を基に、担当する機器に関連した設計と環境設定を
行うことになっている。
表6 導入作業スケジュール
| 作業項目 | 作業期間 | 担当(副担当) | ||
| 1.設計 | ||||
| 1.1システム設計書の作成 | 7/1〜7/9 | C君 | ||
| 1.2音声系ネットワーク設計 | 7/12〜7/30 | 総務部 | ||
| 1.3音声系以外のA社ネットワーク設計 | 7/12〜7/30 | C君 | ||
| 1.4FAXサーバ環境設計 | 7/12〜7/30 | D社 | ||
| 1.5APサーバ環境設計 | 7/12〜7/30 | E社 | ||
| 2.環境設定 | ||||
| 2.1音声系ネットワーク環境変更 | 8/7,8/8 | 総務部 | ||
| 2.2音声系以外のA社ネットワーク環境変更 | 8/7,8/8 | C君 | ||
| 2.3FAXサーバ搬入 | 7/30 | D社 | ||
| 2.4FAXサーバ環境設定 | 8/1〜8/8 | D社 | ||
| 2.5APサーバ環境設定 | 8/7、8/8 | E社 | ||
| 2.6動作確認 | ||||
| 2.6.1テスト計画書作成 | 7/1〜7/16 | C君 | ||
| 2.6.2接続テスト | 8/8〜8/15 | C君、総務部、D社、E社 | ||
| 2.6.3一斉配信テスト | 8/16〜8/29 | C君(総務部、D社、E社、購買部) | ||
| 3.業務運用テスト | 9/13〜9/30 | 購買部 | ||
| 4.導入関連作業 | ||||
| 4.1FAXサーバ運用者教育 | 8/30〜9/3 | D社 | ||
| 4.2エンドユーザ教育 | 9/6〜9/10 | 購買部 | ||
| 4.3本番開始 | 10/1 | --- | ||
| 4.4本番後のフォロー | 10//1〜10/15 | C君(総務部、D社、E社) | ||
| 5. |
7/1〜10/15 | B氏(C君) | ||
[一斉配信テストの計画]
導入チームの作業がスタートして1週間が経過した。C君は、システム設計書の作成
を終え、テスト計画書の作成にとりかかっている。
導入作業スケジュール(表6)にもあるとおり、今回の導入では、動作確認を接続テ
ストと一斉配信テストに分けて実施することになっている。接続テストでは、東京地区
と大阪地区にテスト用のFAXを用意し、テスト帳票の配信が正常に行われることと、不
達通知や再配信などの基本的な機能について確認する。一斉配信テストでは、対象とな
る4,000の全取引先に対してテスト用の帳票を配信し、各取引先への配信が正常に行われ
ることを確認する。
一斉配信テストに関するC君の構想は、次のとおりである。
・テスト用にAPサーバのプログラムを作成し、あるファイルに定義された取引先一覧に
対するテスト帳票を、バッチ処理で作成できるようにする。このテスト用プログラム
は、C君が接続テストの期間を利用して作成する。
・テスト用プログラムを用い、最初に全あて先に村して一斉配信を行う。そして、問題
の生じたあて先について対処した後、再度、一斉配信を繰り返す。ただし、二回目以
降は、前回の配信で問題の生じたあて先だけに配信する。
・FAX配信が正常に行われたかどうかの確認は、FAXサーバの通信ログを用いる。
最初の一斉配信テストは、ほかの作業との関係で、A社が通常の業務を行っている2
日間に行わなければならない。4,000帳票の一斉配備は、設計の前提とした夜間配信量の
2.2日分に相当する。また、D社からは、最初の一斉配信テストでは、約5%のあて先が
配信に失敗すると考えた方がよいという話も聞いている。C君は、これらの点を考慮し
ながら、ほかの業務に影響を与えないよう一斉配信テストの方法と実施する時間帯を工
夫し、一斉配信テストの計画を完成させた。
設問1
FAXサーバに関する次の問いに答えよ。
(1)APサーバからのFAXデータを配信するという基本機能以外に、A社の求めるFAX
サーバの機能用件を三つ挙げ、それぞれ30字以内で述べよ。
(2)本文中の【ア】〜【ク】に入れる適切な数値を答えよ。答えが小数になる場合
には、小数第2位を四捨五入して小数第1位まで求めよ。
設問2
FAXサーバ設置案に関する次の問いに答えよ。
(1)巻末付表を参照して、本文中の【ケ】、【サ】に入れる適切な数値を答えよ。
(2)本文中の【コ】、【シ】、【ス】に入れる適切な字句を答えよ。
(3)【セ】に入れる適切な数値を答えよ。答えが小数になる場合には、小数第1位を
切り上げて整数で答えよ。
(4)【シ】案が現行ネットワークで実現可能と判断するために、C君は現行ネットワ
ークのどのような利用状況を調査したと考えられるかを30字以内で述べよ。
(5)サーバ集中設置案を選択した理由のうち、導入コスト要因(表5)以外のA社にと
ってのメリットを30字以内で述べよ。
設問3
導入作業スケジュールに関する次の問いに答えよ。
(1) 図3の作業分担から見て、導入チームから運用チームへの引渡しは何月何日から何
月何日までの間に行えばよいかを答えよ。
(2)一斉配信テストに副担当として参加する購買部の役割を20字以内で述べよ。
設問4
システム設計書に関する次の問いに答えよ。
(1)システム設計書に盛り込むべき内容で、音声系ネットワークに関係する事項を三つ
挙げ、それぞれ20字以内で述べよ。
(2)システム設計書に盛り込むべき内容で、FAXサーバに関係する事項を三つ挙げ、
それぞれ20字以内で述べよ。
設問5
本文中の内容を前提とし、最初の一斉配信テストをどのように実施したらよいかを
100字以内で述べよ。答えには、テストに要する時間の大まかな推定、実施する時間帯、
A社の業務に影響を与えない根拠を盛り込むこと。
| Tomのネットワーク勉強ノート |
| |
| |
| |